Интернет-магазин

Сельскохозяйственная техника
запасные части и оборудование
agromash36@yandex.ru
Авито магазин

0
Воронеж
Воронеж
Самара
Уфа
Ростов-на-Дону
Нижний Новгород
+7 (952) 753-59-93
Заказать звонок
Каталог оборудования
  • Сельскохозяйственная техника
    Сельскохозяйственная техника
  • Решета и сита
    Решета и сита
  • Запчасти для сельхозтехники
    Запчасти для сельхозтехники
  • Грануляторы для комбикорма
    Грануляторы для комбикорма
  • Ковши норийные
    Ковши норийные
  • Ленты Нории
    Ленты Нории
Компания Агромаш
  • О компании
  • Отзывы
  • Реквизиты
  • Гарантии
  • Новости
  • Статьи
Доставка
Документация
Контакты
    Интернет-магазин
    Меню  
    • Каталог оборудования
      • Сельскохозяйственная техника
        • Зерноочистительное оборудование
          • Машины предварительной очистки зерна
          • Первичная очистка семян
          • Вторичная очистка семян
        • Аэраторы зерна
        • Зернометательная техника
          • Зернометатель 100т/ч с редуктором
          • Зернометатель 100т/ч с мотор-редуктором
          • Зернометатель 150т/ч с редуктором
          • Зернометатель 150т/ч с мотор-редуктором
          • Зернометатель 200т/ч с мотор-редуктором
          • Ковшово Шнековый Погрузчик Р6-КШП-6
        • Техника для защиты семян / Протравливатели
        • Транспортеры и зернопровода
          • Транспортер зерна шнековый
          • Транспортер скребковый
          • Самотечное оборудование
          • Гаситель скорости потока зерна
          • Загрузчики (зернопогрузочное оборудование)
          • Конвейерные ролики
        • Передвижной загрузчик биг-бэгов ПЗ-100
        • Загрузчик ЗСН-25
        • Нории зерновые
          • Зерновая Нория 25 т/ч
          • Зерновая Нория 50т/ч
          • Зерновая Нория 100т/ч
          • Зерновая Нория 175т/ч
        • Металлоконструкции ЗАВ
          • ЗАВ с МПО-100, ВРМ-70
          • ЗАВ с ВРМ-70
          • ЗАВ с МПО, ВРМ-70 и Т-12
          • ЗАВ с МПО, ЗВС-20М и Т-12
      • Решета и сита
        • Решета БИС-100
        • Решета БЛС-150
        • Решета БЦС-50
        • Решета ЗВС-20
        • Решета ОВС-25/СМ-4
        • Решета Петкус К527\547
        • Решета Петкус К531
      • Запчасти для сельхозтехники
        • Запасные части ОВС-25
        • Запасные части ЗВС-20
        • Запасные части на Зернометатели
          • Запасные части к зернометателям ЗПС-100 и ЗМ-60
          • Запасные части на зернопогрузчик ПЗС-80, ПЗС-100, ПЗС-150
          • Запасные части МЗС-90
          • Запасные части ПЗМ-80
          • Запасные части на Зернометатель А-100, А-150, А-200
        • Запасные части МПО-50, МПО-100, СПО-100, Alfa
        • Запасные части на Зерновые нории
          • Запасные части на Норию НПЗ-10
          • Запасные части на Норию НПЗ-20
          • Запасные части на Норию НПЗ-50
          • Запасные части на Норию НПЗ-100
          • Конвейерные ленты БКНЛ-65
        • Запасные части на МС-4,5
        • Запасные части для БИС-100 и БЛС-150
        • Запасные части на Петкус
          • Запасные части на Петкус К527/547
          • Запасные части на Петкус К531/218
        • Запасные части БЦС-50
        • Запасные части на дробилку КДУ-2
        • Запасные части на ЗСК-70\МЗК-70
        • Запасные части на МВР-6
        • Запасные части на Сепаратор МУЗ-16
        • Запасные части для протравителя ПС-10
        • Норийные болты
        • Запасные части для протравителя ПС-20
          • Запасные части на протравитель ПС-20 Маэстро Татагрохимсервис
          • Запасные части на протравитель ПС-20КП Ремком
          • Протравитель семян ПС-20К-4 Агристо
        • Запасные части на Протравливатель семян ПСК-15
        • Запасные части на КШП-6
        • Запасные части на СВУ-60
      • Грануляторы для комбикорма
      • Ковши норийные
        • Металлические ковши УКЗ
        • Полимерные ковши
      • Ленты Нории
    • Компания Агромаш
      • О компании
      • Отзывы
      • Реквизиты
      • Гарантии
        • О компании
        • Отзывы
        • Реквизиты
        • Гарантии
      • Новости
      • Статьи
    • Доставка
    • Документация
    • Контакты
    0
    Заказать звонок
    +7 (952) 753-59-93
    Интернет-магазин
    0
    • Воронеж
      • Назад
      • Города
      • Воронеж
      • Самара
      • Уфа
      • Ростов-на-Дону
      • Нижний Новгород
    • Каталог оборудования
      • Назад
      • Каталог оборудования
      • Сельскохозяйственная техника
        • Назад
        • Сельскохозяйственная техника
        • Зерноочистительное оборудование
          • Назад
          • Зерноочистительное оборудование
          • Машины предварительной очистки зерна
          • Первичная очистка семян
          • Вторичная очистка семян
        • Аэраторы зерна
        • Зернометательная техника
          • Назад
          • Зернометательная техника
          • Зернометатель 100т/ч с редуктором
          • Зернометатель 100т/ч с мотор-редуктором
          • Зернометатель 150т/ч с редуктором
          • Зернометатель 150т/ч с мотор-редуктором
          • Зернометатель 200т/ч с мотор-редуктором
          • Ковшово Шнековый Погрузчик Р6-КШП-6
        • Техника для защиты семян / Протравливатели
        • Транспортеры и зернопровода
          • Назад
          • Транспортеры и зернопровода
          • Транспортер зерна шнековый
          • Транспортер скребковый
          • Самотечное оборудование
          • Гаситель скорости потока зерна
          • Загрузчики (зернопогрузочное оборудование)
          • Конвейерные ролики
        • Передвижной загрузчик биг-бэгов ПЗ-100
        • Загрузчик ЗСН-25
        • Нории зерновые
          • Назад
          • Нории зерновые
          • Зерновая Нория 25 т/ч
          • Зерновая Нория 50т/ч
          • Зерновая Нория 100т/ч
          • Зерновая Нория 175т/ч
        • Металлоконструкции ЗАВ
          • Назад
          • Металлоконструкции ЗАВ
          • ЗАВ с МПО-100, ВРМ-70
          • ЗАВ с ВРМ-70
          • ЗАВ с МПО, ВРМ-70 и Т-12
          • ЗАВ с МПО, ЗВС-20М и Т-12
      • Решета и сита
        • Назад
        • Решета и сита
        • Решета БИС-100
        • Решета БЛС-150
        • Решета БЦС-50
        • Решета ЗВС-20
        • Решета ОВС-25/СМ-4
        • Решета Петкус К527\547
        • Решета Петкус К531
      • Запчасти для сельхозтехники
        • Назад
        • Запчасти для сельхозтехники
        • Запасные части ОВС-25
        • Запасные части ЗВС-20
        • Запасные части на Зернометатели
          • Назад
          • Запасные части на Зернометатели
          • Запасные части к зернометателям ЗПС-100 и ЗМ-60
          • Запасные части на зернопогрузчик ПЗС-80, ПЗС-100, ПЗС-150
          • Запасные части МЗС-90
          • Запасные части ПЗМ-80
          • Запасные части на Зернометатель А-100, А-150, А-200
        • Запасные части МПО-50, МПО-100, СПО-100, Alfa
        • Запасные части на Зерновые нории
          • Назад
          • Запасные части на Зерновые нории
          • Запасные части на Норию НПЗ-10
          • Запасные части на Норию НПЗ-20
          • Запасные части на Норию НПЗ-50
          • Запасные части на Норию НПЗ-100
          • Конвейерные ленты БКНЛ-65
        • Запасные части на МС-4,5
        • Запасные части для БИС-100 и БЛС-150
        • Запасные части на Петкус
          • Назад
          • Запасные части на Петкус
          • Запасные части на Петкус К527/547
          • Запасные части на Петкус К531/218
        • Запасные части БЦС-50
        • Запасные части на дробилку КДУ-2
        • Запасные части на ЗСК-70\МЗК-70
        • Запасные части на МВР-6
        • Запасные части на Сепаратор МУЗ-16
        • Запасные части для протравителя ПС-10
        • Норийные болты
        • Запасные части для протравителя ПС-20
          • Назад
          • Запасные части для протравителя ПС-20
          • Запасные части на протравитель ПС-20 Маэстро Татагрохимсервис
          • Запасные части на протравитель ПС-20КП Ремком
          • Протравитель семян ПС-20К-4 Агристо
        • Запасные части на Протравливатель семян ПСК-15
        • Запасные части на КШП-6
        • Запасные части на СВУ-60
      • Грануляторы для комбикорма
      • Ковши норийные
        • Назад
        • Ковши норийные
        • Металлические ковши УКЗ
        • Полимерные ковши
      • Ленты Нории
    • Компания Агромаш
      • Назад
      • Компания Агромаш
      • О компании
      • Отзывы
      • Реквизиты
      • Гарантии
        • Назад
        • Гарантии
        • О компании
        • Отзывы
        • Реквизиты
        • Гарантии
      • Новости
      • Статьи
    • Доставка
    • Документация
    • Контакты
    • Главная
    • Сельскохозяйственная техника
    • Запчасти для сельхозтехники
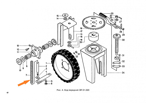
    • Запасные части на Зернометатели в Воронеже
    • Запасные части к зернометателям ЗПС-100 и ЗМ-60 в Воронеже
    • Пружина ЗП 01.603

    Пружина ЗП 01.603

    Поделиться
    • Пружина ЗП 01.603: купить в Воронеже
    В наличии
    В корзину В корзине
    Заказать
    В компании "Агромаш" в Воронеже  в наличии широкий спектр запасных частей и расходных материалов для самопередвижных зернометателей ЗПС-100 и ЗМ-60 . На складе "Агромаш" Пружина ЗП 01.603. Приобретая у нас запчасти для зернометательной техники, вы получаете качественные запчасти, максимально короткие сроки доставки, профессиональные консультации специалистов по подбору запасных частей. Доступные цены. Доставка в регионы.

    Чтобы сделать заказ, используйте стандартную форму заявки внизу страницы, отправьте письмо на электронную почту agromash36@yandex.ru или свяжитесь с менеджером по телефону: +7 (473) 258-54-45.






    Поделиться
    Назад к списку
    • Сельскохозяйственная техника
    • Решета и сита
    • Запчасти для сельхозтехники
      • Запасные части ОВС-25
      • Запасные части ЗВС-20
      • Запасные части на Зернометатели
        • Запасные части к зернометателям ЗПС-100 и ЗМ-60
        • Запасные части на зернопогрузчик ПЗС-80, ПЗС-100, ПЗС-150
        • Запасные части МЗС-90
        • Запасные части ПЗМ-80
        • Запасные части на Зернометатель А-100, А-150, А-200
      • Запасные части МПО-50, МПО-100, СПО-100, Alfa
      • Запасные части на Зерновые нории
      • Запасные части на МС-4,5
      • Запасные части для БИС-100 и БЛС-150
      • Запасные части на Петкус
      • Запасные части БЦС-50
      • Запасные части на дробилку КДУ-2
      • Запасные части на ЗСК-70\МЗК-70
      • Запасные части на МВР-6
      • Запасные части на Сепаратор МУЗ-16
      • Запасные части для протравителя ПС-10
      • Норийные болты
      • Запасные части для протравителя ПС-20
      • Запасные части на Протравливатель семян ПСК-15
      • Запасные части на КШП-6
      • Запасные части на СВУ-60
    • Грануляторы для комбикорма
    • Ковши норийные
    • Ленты Нории
    Наши специалисты ответят на любой интересующий вопрос по товару
    Заказать
    Комплексное решение
    Комплексное решение Широкий ассортимент
    товаров и низкие цены
    Представительства по России
    Представительства по России
    Комплексное решение
    Комплексное решение Широкий ассортимент
    товаров и низкие цены
    Представительства по России
    Представительства по России
    Цель нашей компании —
    предложение широкого ассортимента товаров и услуг на постоянно высоком качестве обслуживания.
    Компания
    О компании
    Отзывы
    Реквизиты
    Гарантии
    Новости
    Статьи
    Каталог
    Сельскохозяйственная техника
    Решета и сита
    Запчасти для сельхозтехники
    Грануляторы для комбикорма
    Ковши норийные
    Ленты Нории
    Наши контакты

    +7 (952) 753-59-93
    Пн-Пт: с 8.00 до 17.00; Сб, Вс: выходной
    Воронеж, ул. Базовая д.13К
    agromash36@yandex.ru
    © 2025 Все права защищены.
    Карта сайта
    ИНН: 366 215 18 57
    ОГРН: 9911001123456
    Товар добавлен в корзину
    Продолжить В корзину
    0